Wynik wyszukiwania
Przed podłączeniem wzmacniacza mocy
Podłącz wzmacniacz mocy (sprzedawany oddzielnie) do złącza PRE OUT tego urządzenia.
Urządzenie to posiada złącze UNBALANCED RCA PRE OUT oraz złącze BALANCED XLR PRE OUT. Podłącz prawidłowe złącze dla wzmacniacza mocy. Jeśli posiadany wzmacniacz mocy posiada obydwa złącza, podłącz dowolne z nich.
Podłącz głośniki do wzmacniacza mocy.
Szczegółowe informacje na temat podłączania głośników zawiera instrukcja obsługi wzmacniacza mocy.
Ta część pokazuje, jak wykonać połączenie 13.1-kanałowe.
Opis podłączania innych głośników zawiera strona link.
Układ styków złącza AV8805BALANCED XLR PRE OUT

Układ styków w tym urządzeniu wykorzystuje system europejski.
W systemie amerykańskim
to COLD, a
to HOT.
Podłączając urządzenie, które wykorzystuje układ styków w systemie amerykańskim, należy zamienić styki
i
po jednej stronie przewodu symetrycznego.
Nie zwieraj styków HOT i GND ani COLD i GND przed użytkowaniem.
Przed przystąpieniem do podłączania głośników odłącz wtyczkę zasilania tego urządzenia z gniazda sieciowego.
Wyłącz również wzmacniacz mocy i subwoofer.
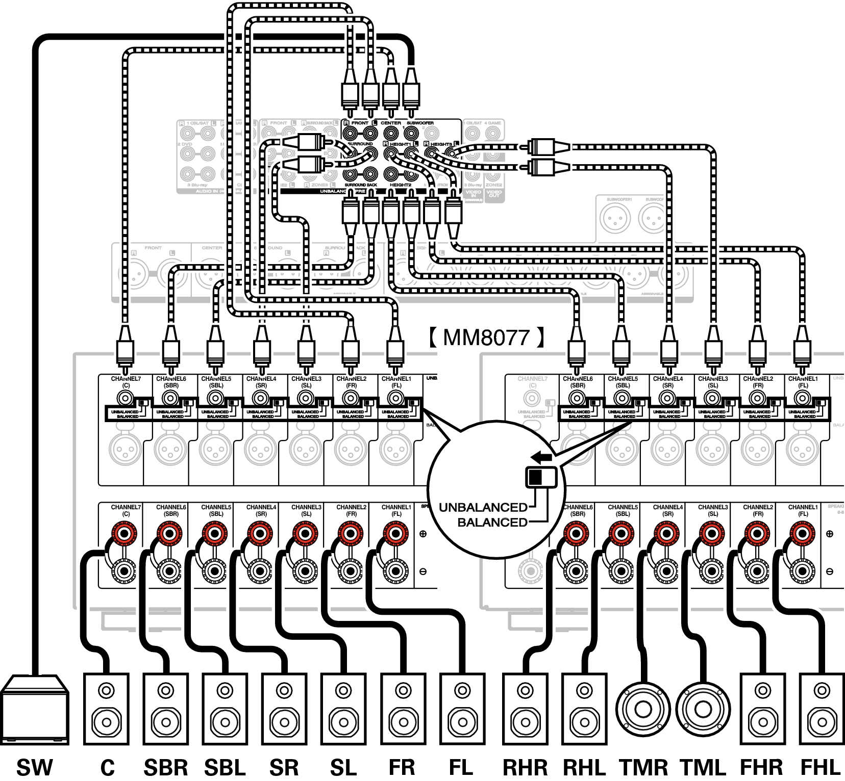
Przykład podłączenia do wzmacniaczy mocy Marantz MM8077 i MM7025
Podłączanie złącza UNBALANCED RCA PRE OUT
Wykorzystując złącza UNBALANCED RCA, należy ustawić przełącznik zmiany sygnału wejściowego w pozycji “UNBALANCED” w urządzeniu MM8077.

Podłączanie złącza BALANCED XLR PRE OUT
Wykorzystując złącza BALANCED XLR, należy ustawić przełącznik zmiany sygnału wejściowego w pozycji “BALANCED” w urządzeniu MM8077.

Informacja dotycząca etykiet kabli dołączonych do zestawu) ułatwiających identyfikację kanałów
Załóż etykietki kabli odpowiadające poszczególnym głośnikom na odpowiednie kable głośnikowe.
Ułatwi to podłączenie głośników do wzmacniacza mocy.
|
Kanał |
Kolor |
|---|---|
|
FRONT L |
Biały |
|
FRONT R |
Kolor czerwony |
|
CENTER |
Kolor zielony |
|
SURROUND L |
Jasnoniebieski |
|
SURROUND R |
Niebieski |
|
SURROUND BACK L |
Beżowy |
|
SURROUND BACK R |
Brązowy |
|
FRONT WIDE L |
Jasnożółty |
|
FRONT WIDE R |
Żółty |
|
FRONT HEIGHT L |
Jasnożółty |
|
FRONT HEIGHT R |
Żółty |
|
TOP FRONT L |
Jasnożółty |
|
TOP FRONT R |
Żółty |
|
TOP MIDDLE L |
Jasnożółty |
|
TOP MIDDLE L |
Żółty |
|
TOP REAR L |
Jasnożółty |
|
TOP REAR R |
Żółty |
|
SURROUND HEIGHT L |
Jasnożółty |
|
SURROUND HEIGHT R |
Żółty |
|
REAR HEIGHT L |
Jasnożółty |
|
REAR HEIGHT R |
Żółty |
|
TOP SURROUND |
Jasnożółty |
|
CENTER HEIGHT |
Żółty |
|
FRONT DOLBY L |
Jasnożółty |
|
FRONT DOLBY R |
Żółty |
|
SURROUND DOLBY L |
Jasnożółty |
|
SURROUND DOLBY R |
Żółty |
|
BACK DOLBY L |
Jasnożółty |
|
BACK DOLBY R |
Żółty |
|
SUBWOOFER1 |
Czarny |
|
SUBWOOFER 2 |
Czarny |
Korzystając z tabeli, należy założyć etykietkę na każdy przewód głośnikowy.
Mocowanie etykiet kabli

