Результат поиска
Двухполосное полноценное стереосоединение
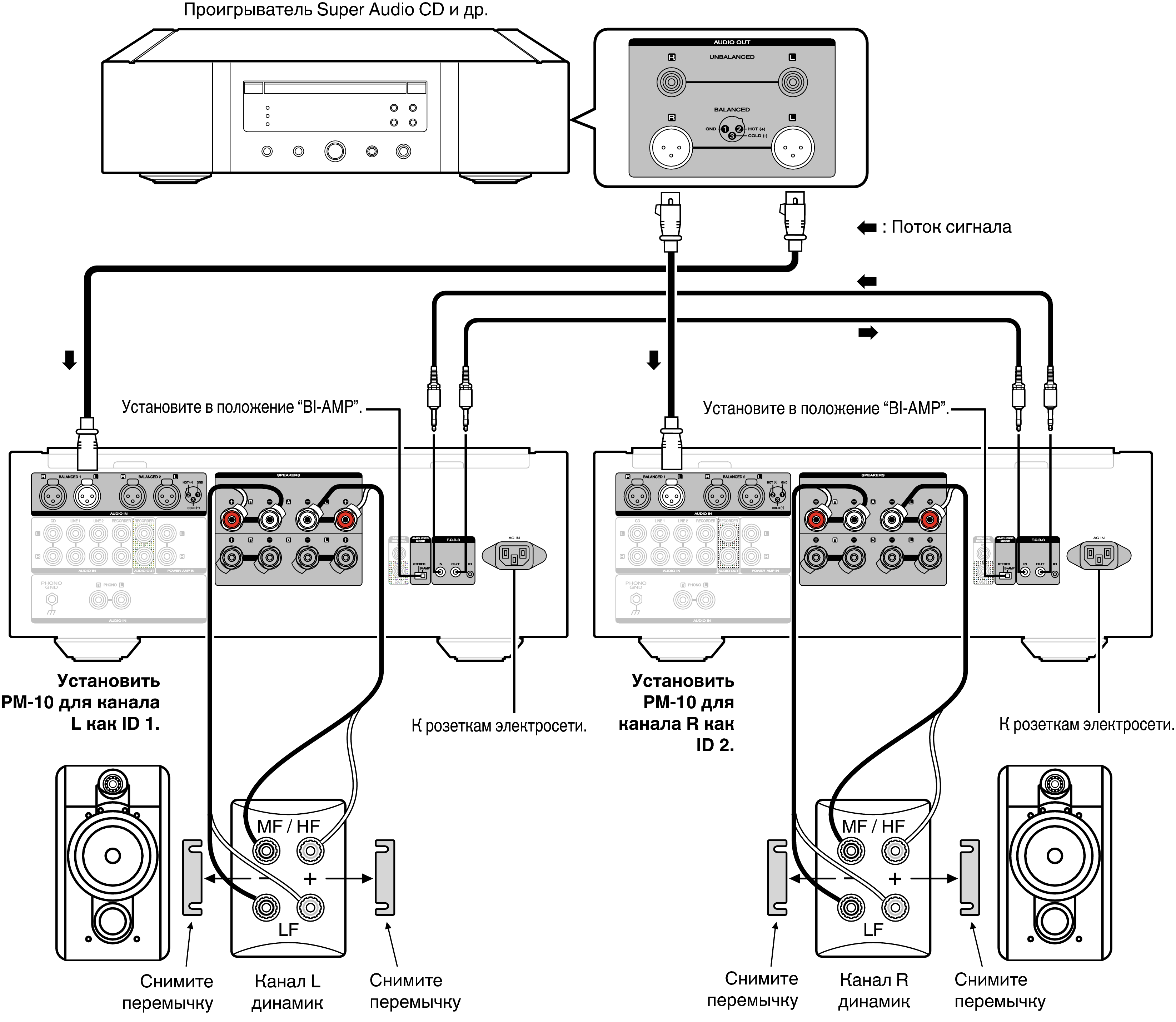
В этом режиме два усилителя, подключенные к этому устройству, функционируют как один монофонический усилитель. Для работы в этом режиме необходимо наличие двух устройств PM-10, соединенных по шине F.C.B.S..
Чтобы переключить режим, используйте переключатель режима усилителя на задней панели при отключенном электропитании.
На приведенных ниже рисунках показаны стерео- и двухполосный режим.

В двухполосном режиме подключитесь к входному разъему левого канала. Вход правого канала отключен.
Одни и те же сигналы выводятся с левого и правого выходных разъемов.
Всегда отключайте питание на устройстве, прежде чем изменять рабочий режим. Повторное включение питания приводит к активации новой настройки.
В двухполосном режиме входные разъемы правых каналов не используются.
При работе в двухполосном режиме сигналы, поступающие на левый канал, выводятся на оба канала. Поэтому из левого (L) и правого (R) каналов в RECORDER OUT, штекере для наушников, выводятся одинаковые сигналы.
Акустические системы, подключенные с использованием полноценных двухполосных соединений, должны сами поддерживать двухполосные соединения. Перед подключением акустических систем ознакомьтесь с руководством пользователя по этим системам или обратитесь к производителю, чтобы удостовериться в поддержке двухполосных соединений.

