Результат поиска
Перед подключением усилителя мощности
Подключите усилитель мощности (продается отдельно) к разъему PRE OUT данного устройства.
Данное устройство оснащено разъемом UNBALANCED RCA PRE OUT и BALANCED XLR PRE OUT. Подключите к надлежащему разъему усилителя мощности. Если усилитель мощности оснащен обоими разъемами, подключите к одному из них.
Подключите динамики к усилителю мощности.
Для получения дополнительной информации о подключении динамиков см. руководство пользователя усилителя мощности.
В данном разделе показано как выполнить 13.1-канальное подключение.
Для получения информации о том, как выполнять другие подключения динамиков, см. стр. ссылка.
Расположение КОНТАКТОВ разъема AV8805BALANCED XLR PRE OUT

В данном устройстве используется европейское расположение КОНТАКТОВ.
В методе, который используется в США,
является контактом COLD, а
является контактом HOT.
При подключении устройства, в котором используется метод для США, поменяйте вилки
и
с одной стороны симметричного кабеля.
Не закорачивайте HOT и GND или COLD и GND при использовании.
Перед подключением акустической системы, отключите шнур питания устройства из розетки.
Кроме того, отключайте усилитель мощности и сабвуфер.
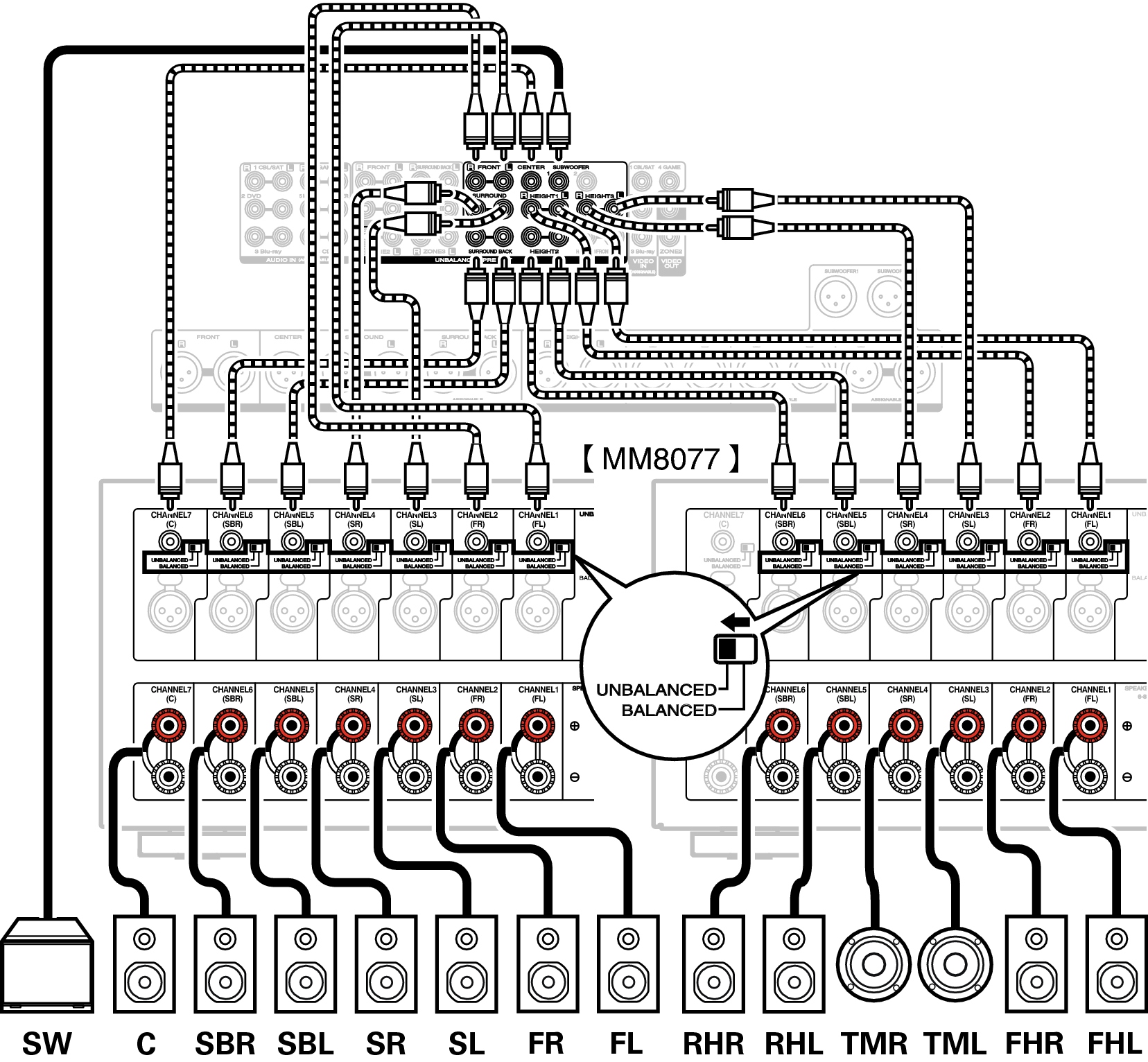
Пример подключения к усилителю мощности Marantz MM8077 и MM7025
Подключение разъема UNBALANCED RCA PRE OUT
При использовании разъемов UNBALANCED RCA для подключения установите переключатель изменений входа в положение “UNBALANCED” на MM8077.

Подключение разъема BALANCED XLR PRE OUT
При использовании разъемов BALANCED XLR для подключения установите переключатель изменений входа в положение “BALANCED” на MM8077.

Информация о ярлыках кабелей (входят в комплект) для определения канала
Прикрепите к каждому кабелю ярлык, соответствующий каждому динамику.
Это упрощает подключение динамиков к усилителю мощности.
|
Канал |
Цвет |
|---|---|
|
FRONT L |
Белый |
|
FRONT R |
Красный |
|
CENTER |
Зеленый |
|
SURROUND L |
Голубой |
|
SURROUND R |
Синий |
|
SURROUND BACK L |
Бежевый |
|
SURROUND BACK R |
Коричневый |
|
FRONT WIDE L |
Светло-желтый |
|
FRONT WIDE R |
Желтый |
|
FRONT HEIGHT L |
Светло-желтый |
|
FRONT HEIGHT R |
Желтый |
|
TOP FRONT L |
Светло-желтый |
|
TOP FRONT R |
Желтый |
|
TOP MIDDLE L |
Светло-желтый |
|
TOP MIDDLE R |
Желтый |
|
TOP REAR L |
Светло-желтый |
|
TOP REAR R |
Желтый |
|
SURROUND HEIGHT L |
Светло-желтый |
|
SURROUND HEIGHT R |
Желтый |
|
REAR HEIGHT L |
Светло-желтый |
|
REAR HEIGHT R |
Желтый |
|
TOP SURROUND |
Светло-желтый |
|
CENTER HEIGHT |
Желтый |
|
FRONT DOLBY L |
Светло-желтый |
|
FRONT DOLBY R |
Желтый |
|
SURROUND DOLBY L |
Светло-желтый |
|
SURROUND DOLBY R |
Желтый |
|
BACK DOLBY L |
Светло-желтый |
|
BACK DOLBY R |
Желтый |
|
SUBWOOFER1 |
Черный |
|
SUBWOOFER 2 |
Черный |
См. таблицу и прикрепите метку к каждому кабелю динамика.
Как прикреплять ярлыки кабелей

